Maker.io main logo

DIY Projects: What You Need to Build a 2D Boombox

169

2023-02-09 | By Maker.io Staff

License: See Original Project

Courtesy of TDK

The world's thinnest boombox was inspired by TDK's PiezoListen™, among the world's thinnest ‎piezoelectric speakers. ‎

When we invited Joe Grand (aka Kingpin) to design a product using TDK components, he was ‎intrigued by the idea of creating something using our PiezoListen speakers. He proposed using ‎them to design his own version of a 1980s-style boombox.‎

Grand's final boombox design is unique. It is 22 inches wide and 16 inches tall, but less than half ‎an inch thick. While every modern electronics system has a case or cabinet that houses and ‎protects the printed circuit board (PCB) and other product elements, Grand's boombox is the ‎board. ‎

boombox_1

Aesthetic choices drove some design and manufacturing decisions that added significant cost to ‎this project. Still, anyone else could use the same key elements to build an economical version ‎of the boombox. ‎

The key elements include: ‎

See Figure 1 for a full bill of materials (BOM)‎

bom_2

Figure 1: The bill of materials for the world's thinnest boombox. (Joe Grand, Grand Idea Studio). ‎

It Started with the Speakers

One manifestation of the piezoelectric effect is when an electric current is applied to a ‎material causing it to deform. It is possible to cycle the current to get the material not just to ‎deform but to vibrate at desired frequencies, effectively using the piezoelectric effect to create ‎sound. Piezoelectric speakers have a number of applications. Still, they are becoming ‎increasingly popular in automotive audio systems where their minimal size and light weight are ‎as important as their acoustic performance. ‎

TDK's PiezoListen speakers feature an operating frequency range of 400 to 20,000 Hz and ‎achieve a high sound pressure of 80 dB, even at low voltages. The speakers have a maximum ‎output power of 34 W. With thicknesses from 0.49 mm to 0.76 mm, PiezoListen devices are ‎among the thinnest piezo speakers available. For this project, Grand used the PHUA6630-076B ‎at 66 mm x 30 x mm and just 0.76 mm thick. ‎

speaker_3

Grand's boombox design affixes two PiezoListen speakers directly to the circuit board, in effect ‎turning the PCB itself into a speaker. ‎

design_4

Raspberry Pi Board

For system control, Grand selected a Raspberry Pi Zero 2 W, which the Raspberry Pi Foundation ‎describes as "the original $5 computer." The Pi Zero is based on Broadcom's BCM2835 chip ‎which incorporates a single-core, 1GHz ARM1176JZF-S processor. The Raspberry Pi Foundation ‎says the 2835 version used in the Pi Zero is 40% faster than similar processors used in previous ‎Pi modules. ‎

hardware_5

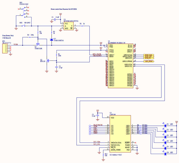
As shown in Figure 2, the Pi Zero 2 W controls the capacitive touch unit, the piezo driver and ‎stereo audio DAC (digital to analog converter), and the buffer for the boombox's LEDs. ‎

diagram_7

Figure 2: The hardware block diagram for the boombox shows the major elements of the design. ‎A Raspberry Pi Zero 2 W controls the board. ‎

Piezo Driver and DAC

Grand received a recommendation that TDK's PiezoListen pairs well with the LM48580 piezo ‎driver from Texas Instruments. ‎

The LM48580 is a fully differential, high-voltage driver for piezo actuators (and also for ‎ceramic speakers) for portable multimedia devices. TI says that the LM48580 Class H ‎architecture offers power savings compared to traditional Class AB amplifiers. It is a single ‎supply driver with an integrated boost converter which allows the device to deliver 30 VP-P ‎from a single 3.6 V supply. ‎

TI was also source for the DAC. Grand used the PCM5100A, a 100dB audio stereo DAC with a ‎‎32-bit, 384kHz PCM Interface. TI's PCM510xA devices use the latest generation of TI’s advanced ‎segment- DAC architecture, which the company says achieves "excellent dynamic performance ‎and improved tolerance to clock jitter." ‎

Capacitive Touch Driver, Buffer, and LEDs

Grand's design includes capacitive touch buttons for all the functions of the boombox ‎‎(play/pause, stop, volume up, volume down, next song, previous song). The driver he selected ‎was Microchip's CAP1166. The 1166 is a turnkey capacitive touch controller for low-cost touch ‎interfaces. It contains 6 LED drivers that offer full-on / off, variable rate blinking, and dimness ‎controls. ‎

A non-inverting buffer from Onsemi, the 74VHC1GT125, was selected to serve as a leveler for a ‎two dozen AdaFruit NeoPixel LEDs (SK6812 MINI-E) that the design called for embedding into ‎the PCB to make the PCB material glow from within. ‎

design_8

The Thickest Part

By one measure, the most important element of the design was the battery. The marquee ‎feature of the world's thinnest boombox is its depth. As the largest component in the boombox, ‎the size of the battery would determine exactly how thin the boombox would be. ‎

battery_10

Grand selected a Li-Polymer, 5V @ 2A, 5000mAh, battery that measured 123 x 66mm. Those ‎dimensions ultimately led to a boombox that was 0.45 inches (11.43 mm), which included a ‎protective frame that Grand also created out of PCB material to protect the components and ‎battery. ‎

block_11

Figure 3: The software block diagram for the boombox. Most of the software was open source. ‎Some code was modified.

Software Choices

Grand considers himself a hardware engineer who can code when he needs to, so going the ‎open-source route was a natural decision. ‎

Pi Zero comes with the Raspberry Pi OS of course. Grand turned to Pimoroni because it already ‎had software modules written for controlling the audio DAC, capacitive touch driver, and basic ‎VU meter, though he modified some of the code to fit his exact needs. ‎

For a music player, Grand chose Mopidy. Mopidy is an extensible music server written in ‎Python. Mopidy plays music from a local disk, and with extensions can support streaming ‎sources such as Spotify, SoundCloud, and TuneIn. Grand wrote a custom extension to allow the ‎capacitive touch buttons to directly control the Mopidy software.‎

The Boombox as a DIY Project

Grand has released the schematics and documentation of his boombox on his website ‎‎(http://www.grandideastudio.com/the-worlds-thinnest-boombox/). The design is open source ‎under a Creative Commons International license.‎

Grand's boombox has no case or cabinet. It lights up as if from within by virtue of its LEDs being ‎embedded directly in the PCB material. The face of the PCB is itself a piece of art. These were ‎some of the aesthetic choices mentioned earlier that had significant cost ramifications. ‎

box_12

Engineers or hobbyists looking to build their own versions of the world's thinnest boombox can ‎easily avoid those costs. ‎

 

Big Costs that Could Easily be Evaded ‎

Artwork: Grand elected to work with a friend of his, artist Mar Williams, to design the graphics ‎for the face of the boombox. Having seven different Pantone colors required seven solder mask ‎layers that had to be aligned precisely. ‎

Controlled depth milling: In order to get a boombox that lit up from within, Grand directed the ‎PCB manufacturer to mill cavities that go only part of the way through the PCB, rather than ‎drill through-holes. When the LEDs are inserted into the cavities and activated, their light ‎permeates the PCB material, giving it the appearance of being lit from within. ‎

Via-in-pad (VIP): A PCB manufacturing technique typically used with highly dense component ‎packages like microBGA or chip-scale in order for their signals to fan out properly to the PCB. ‎Essentially, the PCB's vias (inter-layer connections) are fabricated directly into the component's ‎landing pads instead of using traditional vias that stand alone on the PCB. VIP was required for ‎the piezo driver, so Grand decided to use it for all components on the board, thus hiding every ‎signal trace and connection.‎

Capacitive touch buttons: Traditional buttons would work just as well.

Mfr Part # PHUA6630-076B-00-000
SPEAKER 2.2OHM 5W TOP PORT
TDK Corporation
128,33 €
View More Details
Mfr Part # LM48580TL/NOPB
IC AMP CLASS H MONO 12DSBGA
Texas Instruments
1,43 €
View More Details
Mfr Part # PCM5100APWR
IC DAC 16/24/32BIT 384K 20TSSOP
Texas Instruments
2,19 €
View More Details
Mfr Part # CAP1166-1-BP-TR
IC TOUCH SENSOR/LED DRVR 20QFN
Microchip Technology
1,13 €
View More Details
Mfr Part # M74VHC1GT125DT1G
IC BUFFER NON-INVERT 5.5V 5-TSOP
onsemi
0,43 €
View More Details
Mfr Part # 4960
NEOPIXEL REVERSE MOUNT RGB LEDS
Adafruit Industries LLC
2,55 €
View More Details
Mfr Part # SC1176
SBC 1.0GHZ 4 CORE 512MB RAM
Raspberry Pi
12,96 €
View More Details
Add all DigiKey Parts to Cart
Have questions or comments? Continue the conversation on TechForum, DigiKey's online community and technical resource.